Vivienda unifamiliar “Yerovi”
- San Isidro, Lima
- 700 m2
- Junio 2012
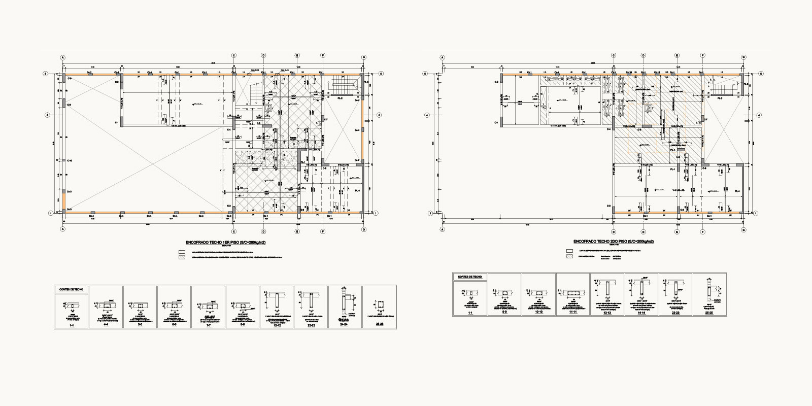
Casa de tres pisos y un semisótano estructurada con pórticos y muros de concreto armado.
Mario Lara ArquitectosCasa de tres pisos y un semisótano estructurada con pórticos y muros de concreto armado.
Mario Lara Arquitectos